推薦產品
河南華東起重機械設備公司
服務熱線:400 086 9590
公司:河南華東起重機械設備有限公司
聯系人:賈經理
聯系電話:13903802779
地址:河南新鄉市封丘縣起重機工業園區
當前位置: 起重機 > 技術資料 > 起重機百科
LDHM型驅動裝置LDHM型變速箱LDHM型減速機
時間:2024-01-19來源:起重機廠家瀏覽次數:1
驅動裝置介紹
LDHM型驅動裝置是以LDH型為基礎研發的一種新機型,適用于低運行速度或有精密對接要求的電動單梁、葫蘆雙梁、小型龍門起重機及路橋設備等??膳涮资褂肸DY1(D)21-4-0.8KW、ZDY1(D)22-4-1.5KW錐形轉子制動電機,或ZDR(D)系列1.5KW、2.1KW、3.0KW錐形繞線轉子制動電機、實心轉子制動(軟起動)電機等。該裝置是集起動轉矩大,可選速度范圍廣,可頻繁起動,運行速度平穩,使用安全可靠,安裝維修方便,美觀大方等優點于一身的大車驅動裝置。
驅動裝置說明
產品名稱:LDHM型驅動裝置
別名別稱:變速箱/變速器
型號規格:LDHM型
所屬類別:驅動裝置
產品產地:河南新鄉長垣
廠家品牌:鴻起
是否專利:是
是否定制:是
是否現貨:部分現貨
生產周期:3~10天
供貨范圍:全國
送達方式:自提或物流托運
是否安裝:安裝另議
售后方式:一年保修
發貨地區:河南新鄉長垣
驅動裝置圖片

驅動裝置參數
| LDHM型驅動裝置可供選用驅動速度表 | ||||||
| 速度 | 3.4米/分 | 5米/分 | 7.5米/分 | 10米/分 | 12.6米/分 | 15米/分 |
| 總速比 | 499.51 | 341.17 | 225.38 | 169.08 | 134.02 | 113.02 |
| 按齒圈M7×Z48、車輪直徑400設計 | ||||||
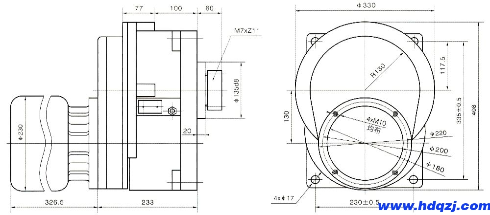
驅動裝置外形尺寸圖 ![]() | ||||||
驅動裝置廠家
LDHM型驅動裝置貨源產地生產廠家還為各地起重廠商提供0.5~20噸電動單雙梁橋式起重機LDA型、LDH(M)型、LBAB(M)型驅動裝置;1~16噸鋼絲繩電動葫蘆減速器;門式/半門式起重機(龍門吊)LDAC1(M)型、LDHC(M)型驅動裝置;電動葫蘆跑車723(M)、727(M)型變速箱以及各種齒輪、齒軸件、外殼、軸承密封件等配件產品。更多驅動裝置的設計制造安裝規范標準、結構形式、材質工藝、工作原理、產品特性、型號規格、技術參數、外形尺寸、安裝使用注意事項說明、常見問題故障排除與維護保養重點以及產品價格等請聯系客服咨詢。
-
20
2025-06
選擇合理的龍門吊驅動裝置是很重要的
選擇合理的龍門吊驅動裝置是很重要的龍門吊的功能和結構特點在很大程度上取決于驅動裝置、動力裝置和傳動裝置 ,因此,在起重機的設計中,合理選擇驅動裝置并確定驅動形式是非常重要的,今天就告訴大家。1.外部載荷是可變的,起重機的重量不同,有時滿載甚*超載;有時輕載或空載。因此,有時需要很大的驅動功率,但在短時間內,功率會降低到很小的值。即使在同一循環運行中,也會不時地加速和制定工作條件。因此,所選用的驅動...詳細
-
22
2024-01
LDA臥式驅動裝置行車單梁減速機LD變速箱行車輪驅動裝置
LDA臥式驅動裝置商品詳情加工定制:是;類別:齒輪減速機;齒輪類型:圓柱齒輪減速機安裝形式:立式;布局形式:同軸式:齒面硬度:硬齒面用途:減速機LDA臥式驅動裝置適用范圍LDA單梁起重機驅動裝置是為起重機行車大車運行配套的一種新型大車驅動裝置,是LD1型的改進型。配套錐形制動電機或錐形轉子繞線制動電機等配套使用。LDA臥式驅動裝置結構簡介LDA型驅動裝置,它和錐形轉子電動機、帶齒圈的走輪組成集傳動...詳細
-
19
2024-01
LDA型驅動裝置LDA型變速箱LD大車減速機
驅動裝置介紹 LDA型驅動裝置又稱LDA型變速箱、LD大車減速機等,它是為1-5噸電動單梁起重機配套的一種新型大車驅動裝置,是LD1型的改進型。可配套電機有ZDY(D)21-4-0.8KW、ZDY1(D)22-4-1.5KW錐形轉子制動電機,或ZDR(D)100-4-1.5KW錐形繞線轉子制動電機等。該裝置具有結構簡單、體積小,起動轉矩大,可頻繁起動,運行速度平穩,噪音低,使用安全可靠,...詳細
-
19
2024-01
LDAC(1)M型立式驅動裝置LDACM立式變速箱減速機
驅動裝置介紹LDAC1M驅動裝置,是在LDAC1型基礎上研發的一種新機型,適用于1~5噸門式、半門式要求低運行速度的起重機??膳涮资褂肸DY(D)系列0.8KW、1.5KW錐形轉子制動電機,或ZDR系列1.5KW、2.1KW錐形繞線轉子制動電機和實心轉子制動(軟起動)電機等。該裝置的特點是能充分利用場地空間,所配套電機本身還帶有制動裝置,是為客戶特殊場地特殊要求而設計的理想機型。是集可選速度范圍寬...詳細
-
19
2024-01
LDAB型驅動裝置LDAB型變速箱LDAB型減速機
驅動裝置介紹 LDAB型驅動裝置,是以LDA型為基礎研發的較大噸位及跨度的新型大車驅動裝置,適用于5~16噸電動單梁、葫蘆雙梁、小型門式、半門式起重機及路橋設備等。可配套使用ZDY(D)系列0.8KW、1.5KW錐形轉子制動電機或ZDR系列1.5KW、2.1KW、3.0KW錐形繞線轉子電機和實心轉子制動(軟起動)電機等。該裝置除具有起動轉矩大,承載能力強,可頻繁起動的特點外,還有結構簡...詳細
-
19
2024-01
LDABM型驅動裝置LDABM型變速箱LDABM型減速機
驅動裝置介紹 LDABM型驅動裝置,是以LDAB型為基礎研發的較大噸位及跨度的新型大車驅動裝置,適用于低運行速度或有精密對接要求的5~16噸電動單梁、葫蘆雙梁、小型門式、半門式起重機及路橋設備等??膳涮资褂肸DY(D)系列0.8KW、1.5KW錐形轉子制動電機或ZDR系列1.5KW、2.1KW、3.0KW錐形繞線轉子制動電機和實心轉子制動(軟起動)電機等。該裝置除具有起動轉矩大,承載能...詳細





















