Product Series
推薦產品
河南華東起重機械設備公司
服務熱線:400 086 9590
公司:河南華東起重機械設備有限公司
聯系人:賈經理
聯系電話:13903802779
地址:河南新鄉市封丘縣起重機工業園區
當前位置: 起重機 > 起重機文章
LDY型冶金電動單梁起重機技術參數10噸冶金單梁起重機參數表
時間:2024-01-17來源:起重機廠家瀏覽次數:1
LDY型冶金單梁起重機主要用于吊運熔融金屬的冶金、鑄造場所,其配套起升機構為YH型冶金電動葫蘆,起重量≤10t,我廠小編為大家分享下10噸LDY型單梁冶金起重機的技術參數,以便大家進行參考。

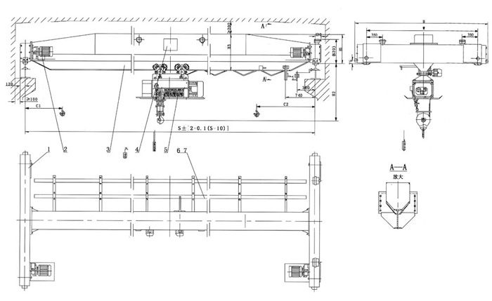
冶金單梁起重機結構圖:

圖中:1.端梁裝置 2.銘牌 3.主梁 4.噸位牌 5.YH電動葫蘆 6.輸電裝置
冶金單梁起重機技術參數
| 起重機運行結構 | 運行速度(m/min) | 20 | 30 | |
| 速比 | 58.95 | 39.42 | ||
| 電動機 | 型號 | 錐形鼠籠 | ||
| 功率(kw) | 0.8×2、1.5×2 | |||
| 轉速(r/min) | 1380 | |||
| 起升結構(電動葫蘆) 及運行結構 | 電動葫蘆形式 | YH | ||
| 起升速度(m/min) | 8(7) | |||
| 起升高度H(m) | 9、12、15、18、20 | |||
| 運動速度(m/min) | 20 | |||
| 電動機 | 錐形鼠籠型 | |||
| 工作制度 | 中級 JE=20% | |||
| 電源 | 380V 50HZ | |||
| 車輪直徑 | 270 400 | |||
| 軌道面寬 | 37-70 | |||
10噸單梁冶金起重機參數表:
| 噸位(t) | 跨度(m) | 整車總量(t)地操 | 最大輪壓(kN) | 最小輪壓(kN) | 踏面至主梁頂H1 | 踏面至鉤中心H2 | 主梁總高H3 | 端梁輪距W | 端梁總長B | 吊鉤左極限C1 | 吊鉤有極限C2 |
| 10 | 7.5 | 3.55 | 50.8 | 6.5 | 820 | 1780 | 1000 | 2000 | 2500 | 15001 | 2100 |
| 8 | 3.63 | 51.7 | 6.6 | ||||||||
| 8.5 | 3.72 | 52.6 | 6.8 | ||||||||
| 9 | 3.81 | 53.4 | 7.0 | ||||||||
| 9.5 | 3.90 | 54.1 | 7.2 | ||||||||
| 10 | 3.99 | 54.7 | 7.4 | ||||||||
| 10.5 | 4.07 | 55.4 | 7.6 | ||||||||
| 11 | 4.16 | 56.0 | 7.7 | ||||||||
| 11.5 | 4.39 | 56.9 | 8.3 | 1825 | 1100 | ||||||
| 12 | 4.48 | 57.4 | 8.5 | ||||||||
| 12.5 | 4.58 | 57.9 | 8.7 | ||||||||
| 13 | 4.67 | 58.4 | 8.9 | ||||||||
| 13.5 | 4.76 | 58.9 | 9.1 | ||||||||
| 14 | 4.86 | 59.3 | 9.4 | ||||||||
| 14.5 | 5.15 | 60.3 | 10.1 | 1865 | 1140 | 2500 | 3000 | ||||
| 15 | 5.24 | 60.7 | 10.3 | ||||||||
| 15.5 | 5.34 | 61.1 | 10.5 | ||||||||
| 16 | 5.44 | 61.6 | 108 | ||||||||
| 16.5 | 5.54 | 62.0 | 11.0 | ||||||||
| 17 | 5.64 | 62.4 | 11.2 | ||||||||
| 17.5 | 6.44 | 64.5 | 13.2 | 925 | 1925 | 1250 | |||||
| 18 | 6.55 | 64.9 | 13.5 | ||||||||
| 18.5 | 6.67 | 65.3 | 13.8 | ||||||||
| 19 | 6.79 | 65.8 | 14.1 | ||||||||
| 19.5 | 6.91 | 66.2 | 14.4 | ||||||||
| 20 | 8.31 | 69.8 | 17.9 | 1100 | 1850 | 1350 | 3000 | 3500 | |||
| 20.5 | 8.46 | 70.3 | 18.2 | ||||||||
| 21 | 8.61 | 70.7 | 18.6 | ||||||||
| 22.5 | 8.76 | 71.2 | 18.9 |
-
02
2024-11
冶金單梁起重機使用環境
市場上有很多種電動單梁橋式起重機。電動單梁橋式起重機的應用范圍小于20T。由于工作場所不同,各種電動單梁橋式起重機已經演變。以下是常見的電動單梁橋式起重機型號和使用環境?! ∫苯饐瘟浩鹬貦C型號的使用環境?! ?.LD型電動單梁橋式起重機(LDA型電動單梁橋式起重機) LD電動單梁橋式起重機主要用于機械制造、裝配、倉庫等使用頻率低或額定起重次數少的場所,嚴禁在易燃易爆環境中工作?! ?.LDP型電...詳細
-
30
2024-09
冶金單梁起重機電動葫蘆詳細介紹
冶金單梁起重機需要配套使用冶金電動葫蘆,部分用戶對冶金電動葫蘆不是太了解,小編為大家詳細介紹下冶金電動葫蘆。1)、雙制動工作原理:冶金電動葫蘆采用雙制動,在正常工作時第二制動不起作用,只有冶金電動葫蘆在起升重物時,當di一制動器失靈或者出現軸斷、齒斷重物自由下落時,當卷筒轉速達到一定的轉速(正常轉速的1.25倍)時,凸輪作用在擺臂上的滾輪的離心力使擺臂向外甩擺的幅度增大,克服彈簧力,棘爪插入棘輪槽...詳細
-
29
2024-05
10噸LDY型冶金單梁起重機技術參數
LDY型冶金單梁起重機主要用于吊運熔融金屬的冶金、鑄造場所,其配套起升機構為YH型冶金電動葫蘆,起重量≤10t,我廠小編為大家分享下10噸LDY型單梁冶金起重機的技術參數,以便大家進行參考。冶金單梁起重機結構圖:圖中:1.端梁裝置 2.銘牌 3.主梁 4.噸位牌 5.YH電動葫蘆 6.輸電裝置冶金單梁起重機技術參數起重機運行結構運行速度(m/min)2030速比58.95...詳細
-
29
2024-05
5噸冶金單梁起重機技術參數
5噸冶金單梁起重機是指能夠起吊5噸的用于冶金場合的專用單梁起重機,可用來吊運熔融金屬,小編為大家介紹下5噸冶金單梁起重機各項技術參數。 基本參數表起重機運行結構運行速度(m/min)2030速比58.9539.42電動機型號錐形鼠籠功率(kw)0.8x2、1.5x2轉速(r/min)1380起升結構(電動葫蘆)及運行結構電動葫蘆形式YH起升速度(m/min)8(7)起升高度H(m)9、12、15、...詳細
-
24
2024-05
LDY型冶金單梁起重機|單梁起重機
LDY型 冶金電動單梁起重機 產品簡介一、 概述本說明書適用于 LDY 型冶金電動單梁起重機的安裝、使用和維護,供安裝、操作和維修人員使用。1.主要用途 LDY 型冶金電動單梁起重機 (以下簡稱起重機) 是按 JB/T1306-2008 標準且符合質檢辦特[375]號文件設計的與 YHII 型電動葫蘆配套使用的空間運輸工具,主要作用是以間歇、周期的工作方式,通過起重吊鉤或其它取物裝置及時、迅速地完...詳細
-
24
2024-05
LDY型冶金單梁起重機、LDE型電動單梁起重機
LDY型冶金電動單梁起重機產品介紹:LDY型冶金電動單梁起重機按照 JB/T1306-2008 標準設計生產,與 YHII 型電動葫蘆配套使用。主要作用是以間歇、周期的工作方式,通過起重吊鉤或其它取物裝置及時、迅速地完成冶金生產過程中所需起吊運輸重物的位移,是現代工業企業中冶金和鑄造場所提高勞動生產率的重要工具和設備。操縱形式:(1)地面操縱: 操作人員于地面控制手電門按鈕, 控制起重機進行吊載作...詳細




















