Product Series
推薦產品
河南華東起重機械設備公司
服務熱線:400 086 9590
公司:河南華東起重機械設備有限公司
聯系人:賈經理
聯系電話:13903802779
地址:河南新鄉市封丘縣起重機工業園區
當前位置: 起重機 > 起重機文章
5噸10噸QD型雙梁橋式起重機(雙梁行車)技術參數表
時間:2024-01-17來源:起重機廠家瀏覽次數:1
QD型雙梁橋式起重機是在車間常用的一種橋式起重機設備,也稱為雙梁行車。常用噸位有5噸、10噸、32/5噸、50/10噸、80/20噸等規格,跨度從10.5米到31.5米不等,小編為大家介紹下5噸、10噸兩種規格雙梁橋式起重機的技術參數。
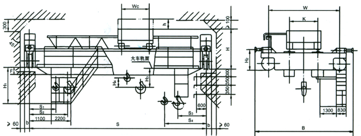
5噸10噸雙梁橋式起重機結構圖:
5噸10噸雙梁橋式起重機技術參數:
| 起重量Lifting Weight | t | 5噸雙梁橋式起重機 | 10噸雙梁橋式起重機 | ||||||||||||||||
| 跨度Span | m | 10.5 | 13.5 | 16.5 | 19.5 | 22.5 | 25.5 | 28.5 | 31.5 | 10.5 | 13.5 | 16.5 | 19.5 | 22.5 | 25.5 | 28.5 | 31.5 | ||
|
最大起升高度 Max.Lifting Height |
16 | ||||||||||||||||||
|
速度 speed |
起升 Lift |
A5 | m/min | 11.4 | 7.6 | ||||||||||||||
| A6 | 15.4 | 13.3 | |||||||||||||||||
|
小車運行 handcart travel |
31.3 | 43.8 | |||||||||||||||||
| 大車運行cart travel | A5 | 90.7 | 91.9 | 90.7 | 91.9 | 84.7 | |||||||||||||
| A6 | 115.6 | 116.8 | 115.6 | 116.8 | 112.5 | ||||||||||||||
|
電動機 Motor |
起升 Lift |
A5 | kw | YZR160L-6z/13 | YZR180L-8z/13 | ||||||||||||||
| A6 | YZR180L-6/15 | YZR200L-6/22 | |||||||||||||||||
|
小車運行 handcart travel |
YZR132M1-6/2.5 | YZR132M1-6/2.5 | |||||||||||||||||
|
大車運行 cart travel |
A5 | YZR132M2-6/4×2 | YZR160M1-6/6.3×2 | YZR132M2-6/4×2 | YZR160M1-6/6.3×2 | ||||||||||||||
| A6 | YZR160M1-6/5.5×2 | YZR160M2-6/7.5×2 | YZR160M1-6/5.5×2 | YZR160M2-6/7.5×2 | |||||||||||||||
|
主要尺寸 (mm) Main Size |
H | 1764 | 1876 | 1926 | |||||||||||||||
| H1 | 2526 | 2546 | 2596 | 2756 | 2906 | 3056 | 3206 | 3356 | 2526 | 2546 | 2596 | 2756 | 2906 | 3008 | 3158 | 3308 | |||
| H2 | 765+H0 | 800+H0 | 765(800)+H0 | 815(850)+H0 | |||||||||||||||
| H3 | 71 | 602 | 552 | ||||||||||||||||
| h | 870 | ||||||||||||||||||
| k | 1400±2 | 2000 | |||||||||||||||||
| B | 5050(5150) | 5200(5204) | 6024(6264) | 5700(5704) | 5930(5934) | 6284(6504) | |||||||||||||
| W | 3400 | 3550 | 5000 | 4050 | 5000 | ||||||||||||||
| Wc | 1100 | 1400 | |||||||||||||||||
| b | 230 | ||||||||||||||||||
| F | -24 | 126 | 226 | 376 | 526 | 676 | 826 | 976 | -24 | 126 | 226 | 376 | 526 | 628 | 778 | 928 | |||
| S2 | 800 | 1050 | |||||||||||||||||
| S3 | 1250 | 1300 | |||||||||||||||||
|
重量 Weight |
小車handcart | A5 | t | 2.126 | 3.424 | ||||||||||||||
| A6 | 2.224 | 3.562 | |||||||||||||||||
| 總重Total Weight | A5 | 13 | 14 | 16 | 19 | 21 | 26 | 29 | 32 | 15 | 17 | 19 | 21 | 24 | 28 | 32 | 35 | ||
| A6 | 14 | 15 | 17 | 20 | 22 | 27 | 31 | 34 | 15 | 17 | 20 | 22 | 25 | 30 | 33 | 36 | |||
| 最大輪壓Max.Wheel Pressure | A5 | t | 8.0 | 8.5 | 9.1 | 9.8 | 10.4 | 11.7 | 12.5 | 13.2 | 10.9 | 11.5 | 12.3 | 12.9 | 13.6 | 14.9 | 15.8 | 16.6 | |
| A6 | 8.5 | 9.1 | 9.2 | 10.4 | 11.1 | 12.5 | 13.3 | 13.8 | 11.1 | 11.8 | 12.6 | 13.1 | 13.8 | 15.4 | 16.3 | 17.1 | |||
| 薦用鋼軌Steel track | 38kg/m | 43kg/m | |||||||||||||||||
| 電源Power Supply | 三相交流3-Phase A.c. 50Hz 380V | ||||||||||||||||||
-
29
2025-05
雙梁橋式起重機制動系統的常見問題緣故及解決方案
雙梁橋式起重機的制動系統一般安裝在電機的傳動軸上,用于制動系統電機的運行,使其運作或起吊組織可以精確靠譜的停在預訂的位子上。是根據磨擦基本原理來完成組織制動系統的。當制動器發生問題就必須對它進行調節和維修。制動系統的調節工作中包含調節工作中行程安排、調節軸荷、調節制動系統空隙三個層面。我廠我給大伙兒講解下橋式起重機制動系統常見問題的緣由及其各種各樣常見故障的解決方案。 1.不可以閘住制...詳細
-
29
2025-05
雙梁橋式起重機普遍常見故障和解決方案(雙梁行車常見問題)
在公司應用雙梁橋式起重機的歷程中,很有可能會發生一些并不是機器設備、可是又不可以開展實際操作的問題。針對新入職的使用工作人員和工作經驗較為少的維修人員而言,必須認識一些通用性雙梁橋式起重設備的普遍假常見故障,在碰到時可以立即處理,防止危害生產制造。我以好多個事例為大伙兒表明橋式起重機很有可能具有的假常見故障和解決方案。 1、某企業一臺雙粱橋式起重機,其指示燈亮,控制聯動臺顯示燈亮,但卻不可以啟...詳細
-
29
2025-05
生產車間應用的雙梁橋式起重機液壓制動器怎么調?
生產車間應用的雙梁橋式起重機舉升組織一般選用液壓制動器,工作中時要依據工作任務的規定將其開展調節,制動系統的調節主要包含軸荷的調節、瓦塊退距(推進器賠償行程安排Hb)的更改和退距平等的調節。針對帶全自動彌補設備制動系統而言,各類調節關鍵在初裝時(應用前)和拆換新的摩擦襯墊后必須開展。在應用全過程中如無異常情況,一般不用調節。下面講解下雙梁橋式起重機液壓制動器怎么調。1、瓦塊退距的調節 調整...詳細
-
25
2025-04
電動單雙梁橋式起重機**滑動接觸線安裝方案
移動式滑動接觸線安裝方案由于車間翻新,許多客戶希望考慮安裝計劃。對于鋼結構車間,許多老車間需要考慮行車滑移線的安裝方案。這篇文章做了簡要的解釋。無論特殊情況如何,滑動接觸線都采用架空形式,而不是溝槽形式。就架空滑動接觸線的安裝方案而言,**是s要考慮。1.車間應整體翻新,舊設備應拆除。拆除舊設備前,必須確保切斷所有電源,以免危及拆除人員的**。在一般拆除過程中,舊滑線應按安裝前的相反順序拆除。先取...詳細
-
24
2025-04
雙梁橋式起重機的測試及檢驗
起重機的測試:1、試車前的準備1.1電氣系統、**連鎖裝置、制動器、控制器、照明和信號系統等安裝應符合要求,其動作應靈敏和準確;1.2檢查軌道上是否有障礙物及有礙起重機運行的情況,清理好周圍環境;1.3鋼絲繩端的固定及其在吊鉤、取物裝置、滑輪組和卷筒上的纏繞應正確、可靠;1.4各潤滑點和減速器所加的油脂性能、規格和數量應符合設計文件的規定;1.5盤動運行機構,旋轉一周不應有阻滯現象;1.6起重機靜...詳細
-
24
2025-04
雙梁起重機遙控器的急停按鈕很關鍵、雙梁橋式起重機的一些參數的含義
雙梁起重機遙控器的急停按鈕很關鍵雙梁起重機遙控器上有急停按鈕、啟動鍵、上、下、左、右、前、后等按鍵。其中急停按鈕是很關鍵的,它主要的作用的在危險情況下緊急停止,比如當雙梁起重機發生溜鉤情況下,只有按急停按鈕才能控制吊鉤溜鉤。使用急停按鈕也是有講究的,在行車使用完后應馬上按下急停按鈕。因為如果不按急停按鈕的情況下,行車是通電的。如果不注意碰到其它按鍵有可能會造成**事故的發生。如果行車在長時間通電的...詳細




















