Product Series
推薦產品
河南華東起重機械設備公司
服務熱線:400 086 9590
公司:河南華東起重機械設備有限公司
聯系人:賈經理
聯系電話:13903802779
地址:河南新鄉市封丘縣起重機工業園區
當前位置: 起重機 > 起重機文章
16/3噸葫蘆雙橋式起重機技術參數
時間:2024-05-25來源:起重機廠家瀏覽次數:1
葫蘆雙橋式起重機是指電動葫蘆雙梁橋式起重機,該起重機是雙梁形式起重機,常用于起升噸位不大的場合,小編為大家介紹下16/3噸葫蘆雙技術參數。
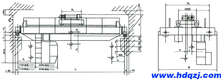
葫蘆雙產品結構圖

16/3噸葫蘆雙產品技術參數表:
額定起重量Fixed litfing weight | t | 16/3 | ||||||||||
操縱形式operation type | 地面操縱From floor,操縱室操縱Clntrol driver room | |||||||||||
速度Speed | 主鉤起升Primary hook lift | m/min | 3.5 | |||||||||
副鉤起升Secondary hook litf | 8 | |||||||||||
小車運行handcart travel | 20 | |||||||||||
大車運行cart travel | 地面Floor | 20;30 | ||||||||||
操縱室Driver Room | 30;45;60 | |||||||||||
電動機Motor | 主鉤起升Primary hook lift | 型號Type | ZD151-4/13 | |||||||||
副鉤起升Secondary hook lift | ZD141-4/7.5 | |||||||||||
小車運行handcart travel | ZDY22-4/1.5×2 | |||||||||||
大車運行cart travel | 地面Floor | ZDY131-4/3×2 | ||||||||||
操縱室Driver Room | ZDR112L2-4/3×2 | |||||||||||
電動葫蘆Electric Hoist | 型號Type | CD1;MD1 | ||||||||||
起升高度Lifting Height | m | 9;12;18/6;9;12;18;24;30 | ||||||||||
工作制度Working System | A5 JC=25% | |||||||||||
電源Power Supply | 3-PhaseA.C 三相交流;50Hz;380V | |||||||||||
薦用鋼軌Steel Track | kg/m | 43 | ||||||||||
跨度Span | m | 7.5 | 10.5 | 13.5 | 16.5 | 19.5 | 22.5 | 25.5 | 28.5 | 31.5 | ||
z大輪壓Max.Wheel Pressure | 13.1 | 13.5 | 14.0 | 14.6 | 15.3 | 16.1 | 16.9 | 17.7 | 18.5 | |||
自重weight | 地面操縱Floor | t | 10.8 | 11.5 | 15.5 | 16.8 | 17.7 | 18.7 | 20.0 | 24.4 | 26.9 | |
操縱室開式Driver Room Open Type | 11.3 | 12.0 | 16.0 | 17.4 | 18.2 | 19.3 | 20.5 | 25.0 | 27.5 | |||
操縱室閉式Driver | 11.4 | 12.1 | 16.1 | 17.5 | 18.3 | 19.4 | 20.6 | 25.1 | 27.6 | |||
基 | B | mm | 5840 | |||||||||
BQ | 4800 | |||||||||||
BX | 1500(H=9,12);2000(H=18,24)2500(H=30) | |||||||||||
H1 | 1895 | |||||||||||
H2 | 170 | |||||||||||
H3 | 82 | |||||||||||
H4 | 525 | |||||||||||
a | 160 | |||||||||||
b | 20 | 130 | 96 | 196 | 296 | 396 | 546 | 646 | 746 | |||
c | 500 | |||||||||||
d | 150 | |||||||||||
S1 | 1600(H=9,12);1850(H=18,24);2100(H=30) | |||||||||||
備注:起重機重量均為整機參考重量





















