Product Series
推薦產品
河南華東起重機械設備公司
服務熱線:400 086 9590
公司:河南華東起重機械設備有限公司
聯系人:賈經理
聯系電話:13903802779
地址:河南新鄉市封丘縣起重機工業園區
當前位置: 起重機 > 起重機文章
32/5噸雙梁電磁橋式起重機技術參數
時間:2024-05-29來源:起重機廠家瀏覽次數:1
32/5噸雙梁電磁橋式起重機是指起重量為32/5噸的電磁橋式起重機,該型起重機是雙主梁結構,保證了起重機的平穩運行。32/5噸電磁橋式起重機有兩套起升機構,可以主鉤掛電磁吸盤,也可以副鉤掛電磁吸盤。起重機的額定起重量包含電磁吸盤自重。我廠小編為大家分享下32/5噸雙梁電磁橋式起重機技術參數。
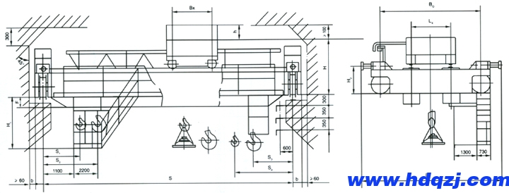
32/5噸電磁橋式起重機結構圖:

32/5噸雙梁電磁橋式起重機技術參數:
起重量 Lifting Weight | t | 32/5(主鉤電磁)Main Magnet | 32/5(副鉤電磁)Secondary Magnet | ||||||||||||||
跨度 Span m | 13.5 | 16.5 | 19.5 | 22.5 | 25.5 | 28.5 | 31.5 | 13.5 | 16.5 | 19.5 | 22.5 | 25.5 | 28.5 | 31.5 | |||
Z大起升高度Max Lifting Height | m | 16/20 | 16/18 | ||||||||||||||
工作級別 Working class | A6 | ||||||||||||||||
速度 | 起升 Lift | 主鉤Primarg hook | m/min | 12.2 | 9.5 | ||||||||||||
副鉤secondary.Hook | 19.5 | 20 | |||||||||||||||
小車運行 handcar travel | 42.8 | ||||||||||||||||
大車運行 crat travel | 101.4 | 101.8 | 85.8 | 101.4 | 101.8 | 85.8 | |||||||||||
電機 | 起升 Lift | 主鉤Primarg hook | Type/ | YZR315S-8/75 | YZR280M-8/55 | ||||||||||||
副鉤secondary.Hook | YZR180L-6Z/17 | YZR200L-6/22 | |||||||||||||||
小車運行 handcar travel | YZR160M1-6/5.5 | ||||||||||||||||
大車運行 crat travel | YZR160L-6/11×2 | YZR180L-6/11×2 | YZR160L-6/11×2 | YZR180L-8/11×2 | |||||||||||||
主要尺寸 | B | 6640 | 6690 | 6990 | 6640 | 6690 | 6990 | ||||||||||
BQ | 4560 | 4700 | 5000 | 4650 | 4700 | 5000 | |||||||||||
BX | 3150 | ||||||||||||||||
b | 260 | 300 | 260 | 300 | |||||||||||||
LX | 2500 | ||||||||||||||||
H | 2341 | 2471 | 2341 | 2471 | |||||||||||||
H1 | 2586 | 2616 | 2646 | 2796 | 2946 | 3096 | 3196 | 2586 | 2616 | 2646 | 2796 | 2946 | 3096 | 3196 | |||
H2 | 880 | 1010 | 880 | 1010 | |||||||||||||
S1 | 1250 | ||||||||||||||||
S2 | 1700 | ||||||||||||||||
| S3 | 2670 | ||||||||||||||||
| S4 | 3120 | ||||||||||||||||
| F | 96 | 246 | 266 | 416 | 566 | 716 | 816 | 96 | 246 | 266 | 416 | 566 | 716 | 816 | |||
h | 820 | ||||||||||||||||
重量 | 小車 Handcart | t | 11.254 | ||||||||||||||
總重量Total Weight | 30.1 | 33.2 | 38.3 | 41.6 | 46.8 | 50.3 | 54.9 | 30.1 | 33.2 | 38.3 | 41.5 | 46.8 | 50.3 | 54.9 | |||
Z大輪壓 Max.Wheel Pressure
| 26.3 | 27.8 | 28.9 | 30.1 | 31.6 | 32.7 | 34 | 26.3 | 27.8 | 28.9 | 30.1 | 31.6 | 32.7 | 34 | |||
| 電磁盤 Magnet | 型號Model | MW1-16 | MW1-45 | MW1-6 | MW1-16 | ||||||||||||
| 吸重Pulling weight | kg | 16000 | 26450 | 4540 | 3330 | ||||||||||||
| 自重Dead weight | 1670 | 5550 | 460 | 1670 | |||||||||||||
| 直徑Diameter | mm | 1180 | 1650 | 776 | 1180 | ||||||||||||
薦用鋼軌 Steel track | QU70 □90×90 | ||||||||||||||||
電源 Power Supply | 三相交流3-PhaseA.C.50Hz 380V | ||||||||||||||||
注:以上技術參數僅供參考,以起重機實體為標準。





















