推薦產品
河南華東起重機械設備公司
服務熱線:400 086 9590
公司:河南華東起重機械設備有限公司
聯系人:賈經理
聯系電話:13903802779
地址:河南新鄉市封丘縣起重機工業園區
當前位置: 起重機 > 技術資料 > 起重機百科
BZDY隔爆型錐形轉子電動機(一機雙速防爆電機小盤)
時間:2024-01-18來源:雙速防爆電機廠家瀏覽次數:1
防爆電機介紹
BZDY系列小盤隔爆型錐形轉子三相異步電動機為防爆電動葫蘆運行一機雙速電動機,主要型號有:BZDY12-4-0.4、BZDY21-4-0.8、BZDY22-4-1.5KW型,(主要用于660V、1140V、380V/660V、660V/1140V電壓,一機雙速,帶溫控,帶加熱等要求的防爆電動葫蘆運行電機 )。
防爆電機說明
產品名稱:BZDY系列隔爆型錐形轉子三相異步電動機(一機雙速小盤)
別名別稱:防爆電機/馬達
型號規格:BZDY系列型
所屬類別:防爆起重運行電機
產品產地:河南
是否定制:是
是否現貨:部分現貨
生產周期:5~15天
包裝形式:協議包裝
供貨范圍:全國
送達方式:自提或物流托運
是否安裝:安裝另議
防爆電機圖片

防爆電機參數
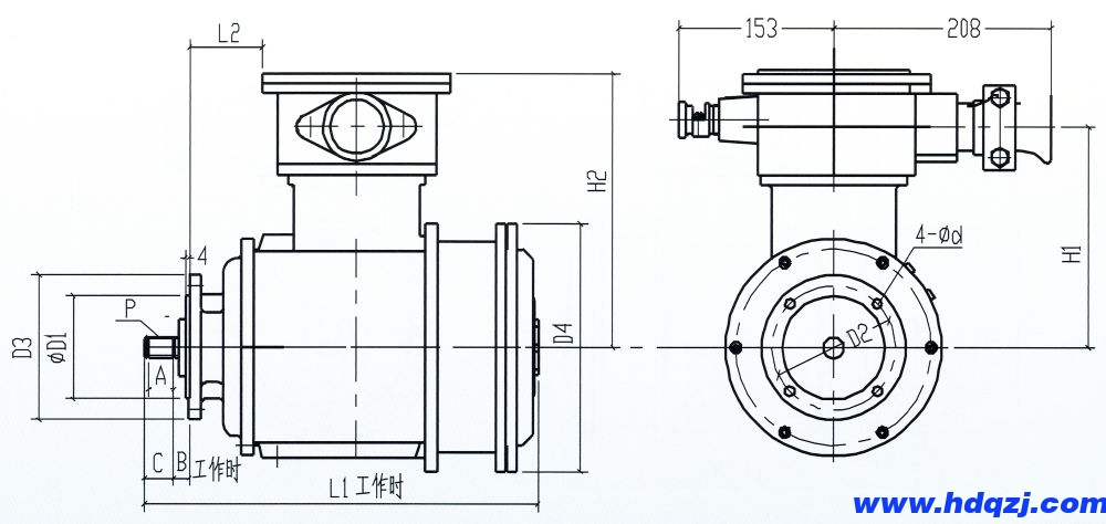
BZDY系列防爆電動葫蘆運行一機雙速電動機外形尺寸圖

BZDY系列防爆電動葫蘆運行一機雙速電動機外形及安裝尺寸
| 型號 | 功率KW | D1 | D2 | D3 | D4 | A | B | C | L1 | L2 | H1 | H2 | d | P |
| BZDY12-4 | 0.4 | Φ75h7 | Φ90 | Φ110×10 | Φ158 | 22 | 13 | 27 | 325 | 40 | 187 | 244 | Φ7 | 4-12h15x15e9x4c11 三角形花鍵D=15 Z=36 |
| BZDY21-4 | 0.8 | Φ100h7 | Φ120 | Φ140×11 | Φ240 | 25 | 18 | 28 | 350 | 37 | 212 | 269 | Φ9 | 6-16h15x20e9x4c11三角形花鍵D=18 Z=36 |
| BZDY22-4 | 1.5 | 21 | 28 | 24 | 380 | 66 |
錐形防爆電機技術參數表
| 項目 型號 | 額定功率(KW) | 額定電流(A) | 額定轉速 (r/min) | 起動轉矩 額定轉矩 | 起動電流(A) | 效率 (%) | 功率因素 (cosΦ) | 轉動慣量 | 制動力矩 (N.m) | ||||||
| 660V | 1140V | 380/660 | 660/1140 | 660V | 1140V | 380/660 | 660/1140 | ||||||||
| BZDY12-4 | 0.4 | 0.72 | 0.42 | 1.25/0.72 | 0.72/0.42 | 1380 | 2.0 | 4 | 2.4 | 7.0/4 | 4/2.4 | 0.67 | 0.73 | 0.017 | 1.43 |
| BZDY21-4小盤 | 0.8 | 1.4 | 0.8 | 2.4/1.4 | 1.4/0.8 | 1380 | 2.5 | 7.6 | 4.3 | 13/7.6 | 7.6/4.3 | 0.70 | 0.72 | 0.036 | 8.036 |
| BZDY21-4大盤 | |||||||||||||||
| BZDY22-4小盤 | 1.5 | 2.5 | 1.43 | 4.3/2.5 | 2.5/1.43 | 1380 | 2.5 | 14 | 8 | 24.0/14 | 14/8 | 0.72 | 0.74 | 0.036 | 8.036 |
| BZDY22-4大盤 | |||||||||||||||
| BZDY31-4小盤 | 3.0 | 4.4 | 2.53 | 7.6/4.4 | 4.4/2.53 | 1380 | 2.7 | 24.3 | 14 | 42/24.3 | 24.3/14 | 0.79 | 0.85 | 0.019 | 42.10 |
| BZDY31-4大盤 | |||||||||||||||
| BZDYS21-4/8小盤 | 0.4/0.2 | 2.7/1.6 | 1380/680 | 2.3/2.2 | 13/8 | 0.53/0.43 | 0.32/0.4 | 0.27 | 1.5/1.0 | ||||||
| BZDYS21-4/8大盤 | |||||||||||||||
| BZDYS22-4/8小盤 | 0.8/0.4 | 1.4/0.7 | 1380/690 | 2.6/1.7 | 10/3 | 0.56/0.41 | 0.32/0.38 | 0.055 | 8/3 | ||||||
| BZDYS22-4/8大盤 | |||||||||||||||
| BZDYS31-4/8小盤 | 1.5/0.75 | 2.5/1.3 | 1380/690 | 2.6/1.7 | 18/6 | 0.69/0.54 | 0.69/0.53 | 0.104 | 10/8 | ||||||
| BZDYS31-4/8大盤 | |||||||||||||||
| BZDYS32-4/8小盤 | 3.0/1.0 | 4.4/2 | 1380/690 | 2.8/1.8 | 30/9 | 0.68/0.58 | 0.81/0.58 | 0.208 | 19/14 | ||||||
| BZDYS32-4/8大盤 | |||||||||||||||
| BZD21-4 | 0.8 | 1.4 | 0.8 | 2.4/1.4 | 1.4/0.8 | 1380 | 2.5 | 7.6 | 4.3 | 13/7.6 | 7.6/4.3 | 0.70 | 0.72 | 0.030 | 11.0 |
| BZD22-4 | 1.5 | 2.5 | 1.43 | 4.3/1.5 | 1.5/1.43 | 1380 | 2.5 | 14 | 8 | 24/14 | 14/8 | 0.72 | 0.74 | 0.045 | 19.6 |
| BZD31-4 | 3.0 | 4.4 | 2.53 | 7.6/4.4 | 4.4/2.53 | 1380 | 2.7 | 24.3 | 14 | 42/24.3 | 24.3/14 | 0.78 | 0.77 | 0.130 | 42.14 |
| BZD32-4 | 4.5 | 6.4 | 3.7 | 11/6.4 | 6.4/3.7 | 1380 | 2.7 | 35 | 20.0 | 60.0/35 | 35/20.0 | 0.78 | 0.80 | 0.160 | 62.72 |
| BZD41-4 | 7.5 | 10.4 | 6 | 18.0/10.4 | 10.4/6 | 1380 | 3.0 | 58 | 33.1 | 100/58 | 58/33.1 | 0.79 | 0.80 | 0.390 | 98.0 |
| BZD51-4 | 13 | 17.3 | 10 | 30.0/17.3 | 17.3/10 | 1380 | 3.0 | 95 | 55 | 165/95 | 95/55 | 0.80 | 0.82 | 0.700 | 184.4 |
| BZD52-4 | 18.5 | 24.3 | 14 | 41.7/24.3 | 24.3/14 | 1380 | 3.0 | 133 | 76.1 | 229/133 | 133/76.1 | 0.82 | 0.82 | 1.120 | 225.4 |
| BZD62-6 | 18.5 | 27 | 15.3 | 46.7/27 | 27/15.3 | 930 | 3.2 | 162 | 92 | 295/176 | 176/97 | 0.85 | 0.86 | 1.8 | 390 |
防爆電機廠家
BZDY系列一機雙速小盤防爆電動葫蘆運行電動機生產廠家還提供防爆單速/雙速電動葫蘆主起升電機、防爆電動葫蘆運行電機、防爆單雙梁橋式門式起重機防爆電動機、防爆電動環鏈葫蘆主起升電動機和防爆運行電動機以及其他防爆起重機械設備配套使用的防爆電動機產品整機與防爆電動機配件。更多防爆電機生產制造廠家、貨源產地、型號規格、技術參數、防護/防爆等級、轉速、功率、產品特性、結構圖紙、安裝尺寸、出廠價格以及常見問題故障、使用環境與產品選型配套等請聯系客服咨詢。
-
18
2024-01
BZDY隔爆型錐形轉子電動機(一機雙速防爆電機小盤)
防爆電機介紹 BZDY系列小盤隔爆型錐形轉子三相異步電動機為防爆電動葫蘆運行一機雙速電動機,主要型號有:BZDY12-4-0.4、BZDY21-4-0.8、BZDY22-4-1.5KW型,(主要用于660V、1140V、380V/660V、660V/1140V電壓,一機雙速,帶溫控,帶加熱等要求的防爆電動葫蘆運行電機 )。防爆電機說明產品名稱:BZDY系列隔爆型錐形轉子三相異步電動機(...詳細
-
18
2024-01
BZDS(1)隔爆型錐形轉子三相異步電動機(雙速防爆電機)
防爆電機介紹 BZDS1系列隔爆雙速型錐形轉子三相異步電動機為防爆電動葫蘆主起升雙速電動機,主要型號有:BZDS1-0.2/0.8、BZDS1-0.2/1.5、BZDS1-0.4/3.0、BZDS1-0.4/4.5、BZDS1-0.8/7.5、BZDS1-1.5/13KW等,該電機結構形式為子母式大小電機,區別于一機雙速主起升電動機。防爆電機說明產品名稱:BZDS(1)雙速隔爆型錐形轉...詳細
-
18
2024-01
BZD隔爆型錐形轉子異步電動機(一機雙速防爆電機)
防爆電動機介紹 BZD系列一機雙速隔爆型錐形轉子三相異步電動機為防爆電動葫蘆主起升電動機,主要型號有:BZD21-4-0.8、BZD22-4-1.5、BZD31-4-3.0、BZD32-4-4.5、BZD41-4-7.5、BZD51-4-13、BZD52-4-18.5、BZD62-6-18.5KW型,(主要用于660V、1140V、380V/660V、660V/1140V電壓,一機雙速...詳細
-
18
2024-01
BZDY隔爆型錐形轉子電動機(一機雙速防爆電機大盤)
防爆電動機介紹 BZDY系列大盤隔爆型錐形轉子三相異步電動機為防爆電動單梁起重機運行一機雙速電動機,主要型號有:BZDY21-4-0.8、BZDY22-4-1.5、BZDY31-4-3KW型,(主要用于660V、1140V、380V/660V、660V/1140V電壓,一機雙速,帶溫控,帶加熱等要求的防爆行車大車運行電機 )。 防爆電動機說明...詳細




















